◆连续传代培养实验
1. 材料及方法:细胞1:4分种,72小时传代,连续6代培养。MEM培养基,10%血清,37℃、5%CO2,T25培养瓶(透气),对照为澳洲胎牛血清
2. 实验结果
2.1细胞形态
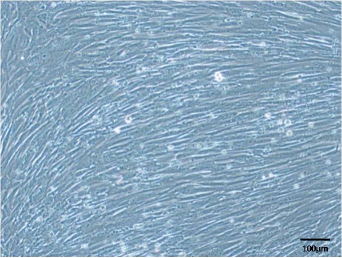
对照(第六代72小时) |
Royacel(第六代72小时) |
2.2 细胞计数
1. 材料及方法:以2×104个/ml细胞浓度接种8个T25方瓶,每天取1瓶计数,绘制细胞生长曲线,三批次产品分别做三次实验,每个时间点的细胞密度取平均值,绘制曲线。澳洲胎牛血清为每次实验对照血清。
2. 实验结果

◆结果分析
1. 细胞连续六次传代,Royacel与对照血清培养的MRC5细胞铺满率均达到97%。对照细胞间隙较大、细胞表面粗糙,黑色颗粒物较多,细胞老化趋势较明显; Royacel细胞饱满光滑,干净整齐,呈良好的成纤维细胞形态,无老化现象;细胞计数结果表明:第六代时对照细胞密度与第三代相比下降19.7%, Royacel 细胞密度下降7.4%,连续传代稳定性优于对照血清。两个血清在细胞活率上没有差异;
2. 通过生长曲线可知:Royacel 胎牛血清和对照血清(使用同一批次做对照)细胞增殖和维持方面差别不大。Royacel胎牛血清各批次间细胞倍增时间及峰值浓度的偏差均<10%。不同批次血清,观察MRC5细胞增殖和维持能力无明显差异;
Royacel 胎牛血清在MRC5细胞培养方面具有良好的稳定性。